J'ai peur que les deux fils entrent en contact et provoquent un court-circuit catastrophique. Ça c'est une possibilité réelle donc les vibrations et le réchauffage de le stator avec une rallongée utilisation pendent 10 heures a une vitesse de croisière de 120-130 Km/h la plupart du temps (ce qui se traduit a un regime moteur de 4.500 tpm soutenus qu'implique une haute génération de tension pendent longtemps de le stator), favorisée par une climatologie très chaleureuse (je dois traverser une ample région très aride et chaleureuse de Aragón en ete ou froide en hiver, los Monegros), peut fondre ou ramollir les soudures des cables (qui vont s'en conduire comme des résistances et qui vont se réchauffer en trop pendant longtemps), et que les deux câbles entrent en contact au sortie de le stator.
Et voici mon problème:
Jusqu'a le moment, après d'enlever le zener et le pont de diodes le premier jour que j'avais achetée a Juliana, j'ai un regulateur-redresseur Shindengen SH222-12 de 5 câbles provenant d'une Yamaha Special 250 (dont polarité c'est négatif a la masse). Ce sorte de régulateur-redresseur de 5 cables s'adapte bien a l'inversion de polarité du faisceau de ma Norton avec le positif a la masse et il en a marche très bien pendent plus de 10 ans. Autrefois, le jour que j’étudiais son montage, j''avais teste que sur mon vieux alternateur (un peu faible pour avoir un stator vieux et un rotor un peu fatigué qu'a perdu un peu d'aimantation), ni de loin s'approchait aux 180 W préconises chez Lucas pour un alternateur neuf, et qu'avec l'aide de l'ampoule H4 du phare je pouvais limiter la tension maximale de charge en dessous 14,5 V sans avoir besoin de brancher le cinquième câble marron de contrôle de régulation de tension du régulateur-redresseur. Comme l'objetif de ne surpasser 14,5 V etait possible a 4.5000 tpm (120-130 Km/h que je ne surpasse jamais), sans brancher le cable marron et j'avais beaucoup de doutes pour n'avoir jamais trouve l'information technique du regulateur sur si le controle de tension est fait en ouvrant la sortie interne ACG aux cables de phase ou avec un court-circuit a la sortie interne ACG quand la tension de charge est plus haute a 14,5 V. , j'ai toujours eu peur de brancher le cinquième câble marron de contrôle de régulation et jusqu'a le moment j'ai roule avec ce câble a l'air, sans brancher a nulle part. Je vous reconnais que je ne suis ete jamais capable de comprendre pas la difference entre ouvrir ou court-circuiter la sortie ACG d'un regulateur, et que je ne sais qu'ouvrir la sortie ACG n'a aucun risque pour le stator, pendent que par ma méconnaissance, court-circuiter le ACG me cause beaucoup d’angoisse.
Maintenant, avec un stator neuf qui va m'apporter plus de puissance (190 W nominales ou 16 A sous une tension de 12 V au limite des tours par minute du moteur qui se place a 6.500 tpm), surement que l'ampoule H4 ne soit pas suffisant pour limiter la tension maximale de recharge de la batterie en haut régime moteur (a partir 4.000 tpm), et que je devrai brancher le câble marron a la masse (que c'est le positif résistif ou de retour quand le faisceau est avec le positif a la masse), pour limiter a un maximum de 14,5V la tension maxime de charge de la batterie a partir de 4.000 tpm.
Quelqu'un sait si le modèle Sheindengen SH222-12 ouvre ou court-circuite sa sortie ACG? Autre doute c'est si en cas de court-circuiter le regulateur sa sortie ACG, ça peut endommager a le stator Lucas?
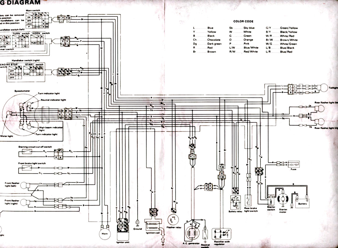
PS: Ma question peut etre soit un peu technique ou par contre très stupide, mais pour vous aider a m'aider, je vous passe un schème du faisceau électrique de Yam 250, et aussi un schema de montage du régulateur dans un faisceau dont polarité c'est négatif a la masse, (selon l’époque les deux câbles de l'alternateur que se branchent a la sortie ACG du regulateur ont sur les schémas la couleur jaune ou blanc, le reste des cables ont la meme couleur: rouge, noir et marron).






