Cablage Triumph Twins 63/66

Ici nous parlons de motos anglaises classiques.
Nous ne sommes ni un club ni une association. Ce site est le travail d'amis passionnés qui partagent leurs connaissances dans la convivialité et la tolérance. Ce site est ouvert à tous mais pour des raisons de transparence vous devez vous inscrire !!
Le site est gratuit et il grandit si chacun participe, vous pouvez tous participer soit par une page album sur votre moto, soit par un sujet technique lors d’une réparation, soit en scannant un catalogue …… Vous avez, ici, la possibilité de ne pas être un simple consommateur mais un acteur, merci de donner un peu de votre temps …

Modérateurs : Pachi, gigi, Tricati, Bertrand, rickman, Yeti

midaume
Messages : 350
Inscription : 17 sept. 2022, 14:32
Localisation : Mâcon

Cablage Triumph Twins 63/66

Message non lu par midaume »

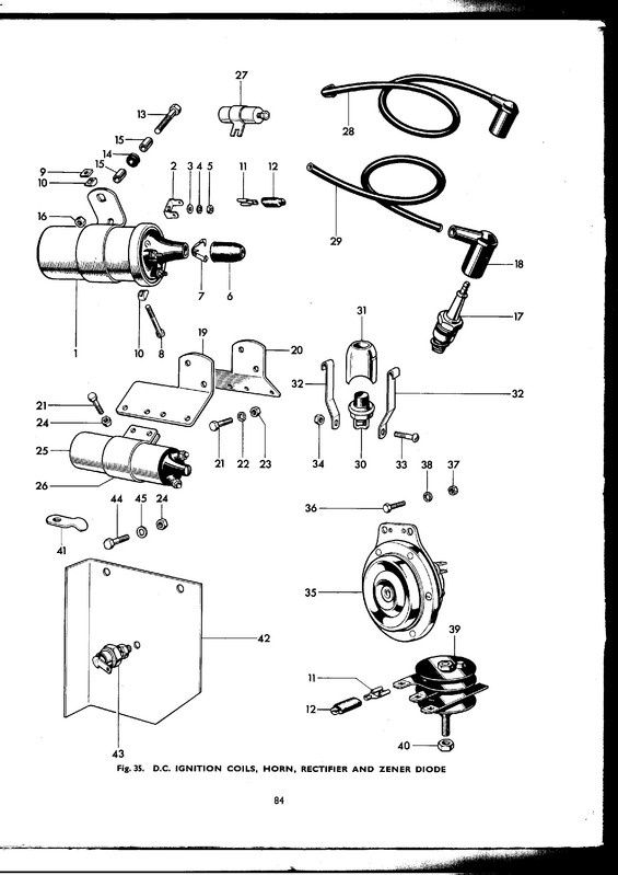
Bonjour, sur le shéma de Cablage des Triumph Twins 63/66 je ne vois pas où se situe la diose Zener régulatrice et comment la brancher.Quelqu'un en sait il plus ? Merci.
Image
marinatlas
Messages : 195
Inscription : 20 mars 2007, 11:37
Localisation : Bretagne

Re: Cablage Triumph Twins 63/66

Message non lu par marinatlas »

midaume
Messages : 350
Inscription : 17 sept. 2022, 14:32
Localisation : Mâcon

Re: Cablage Triumph Twins 63/66

Message non lu par midaume »

En lisant le Haynes concernant les 350 et 500 Unit Twins , je m'aperçois qu'il est précisé " seuls les systèmes 12 volts comportent une diode Zener". Question: comment le surplus de charge est il dissipé pour les machines en 6 volts ?
Thénor12
Messages : 352
Inscription : 11 juin 2024, 11:04
Localisation : Chardonnay

Re: Cablage Triumph Twins 63/66

Message non lu par Thénor12 »

...par le nombre de bobines (de l'alternateur) connectées, via le commutateur d' éclairage),vers les utilisations...capitcho?
TO
PS: la dessous se cachent les 3 fils (alternatif) de anciens Lucas...!
Avatar de l’utilisateur
gigi
Messages : 7738
Inscription : 19 janv. 2007, 21:49
Localisation : Amiens, France

Re: Cablage Triumph Twins 63/66

Message non lu par gigi »

Si tu as gardé le puissant alternateur à bobines non noyées dans le brai, tu respectes le câblage d'origine ... si tu as monté unalternateur "moderne" tu ajoutes une zener en t'inspirant des montages postérieurs...
Thénor12
Messages : 352
Inscription : 11 juin 2024, 11:04
Localisation : Chardonnay

Re: Cablage Triumph Twins 63/66

Message non lu par Thénor12 »

...ah, la zener "ZD15"....quelques souvenirs "sur la route", pas loin d' Yssingeaux...
Thénor12
Messages : 352
Inscription : 11 juin 2024, 11:04
Localisation : Chardonnay

Re: Cablage Triumph Twins 63/66

Message non lu par Thénor12 »

gigi a écrit : 19 mars 2026, 10:36 Si tu as gardé le puissant alternateur à bobines non noyées dans le brai, tu respectes le câblage d'origine ... si tu as monté unalternateur "moderne" tu ajoutes une zener en t'inspirant des montages postérieurs...
...PL 1967....tout chaud!
TO
Image
midaume
Messages : 350
Inscription : 17 sept. 2022, 14:32
Localisation : Mâcon

Re: Cablage Triumph Twins 63/66

Message non lu par midaume »

gigi a écrit : 19 mars 2026, 10:36 Si tu as gardé le puissant alternateur à bobines non noyées dans le brai, tu respectes le câblage d'origine ... si tu as monté unalternateur "moderne" tu ajoutes une zener en t'inspirant des montages postérieurs...
Du coup j'ai peutêtre le choix..Sur le plus récent il est indiqué 47105 et 02 78 (date fabrication ?) C'est celui avec les bobines apparentes qui était monté.Un conseil? Merci.

Image

Image
Thénor12
Messages : 352
Inscription : 11 juin 2024, 11:04
Localisation : Chardonnay

Re: Cablage Triumph Twins 63/66

Message non lu par Thénor12 »

...Bonjour, il me semble que les 2 alternateurs (RM19 pour le second ?) ont chacun 3 fils en sortie...avec les couleurs de fils habituelles...
je lance des recherches plus...
PS: les bobinages sont bons? Non carbonisés, non interrompus?
Répondre